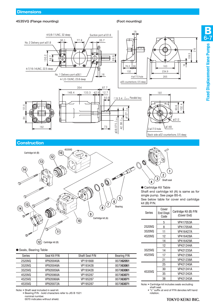
TOKYO KEIKI VQ Series High Performance Double Fixed Displacement Vane Pumps for Mobile Applications 2520VQ 3520VQ 4520VQ 3525VQ 4525VQ 4535VQ
Αντλία με πτερύγια διπλής σταθερής μετατόπισης υψηλής απόδοσης για εφαρμογές για κινητές συσκευές2520VQ Σειρά :2520VQ12, 2520VQ14, 2520VQ17, 2520VQ213520VQ, Σειρά 3525VQ :3520VQ25, 3520VQ25, 30VQ5} VQ25, 3525VQ30, 3525VQ35, 3525VQ384520VQ, 4525VQ, 4535VQ Σειρά:4520VQ42, 4520VQ50 , 4520VQ60 4525VQ42, 4525VQ50, 4525VQ60 4535VQ42, 4535VQ50, 4535VQ60 Θέση θύρας παροχής άκρου άξονα (προβολή από το άκρο του καλύμματος)A: απέναντι θύρα αναρρόφησης Β: 90º θύρα αναρρόφησης με 0°C CW από τη θύρα αναρρόφησης Θέση θύρας παράδοσης καλύμματος (προβολή από το άκρο του καλύμματος)2520, 3520, 3525, 4520, 4525VQA: 135º CCW από τη θύρα αναρρόφησηςB: 45º CCW από τη θύρα αναρρόφησης C: 45º CW από τη θύρα αναρρόφησης: 45º CW από τη θύρα αναρρόφησηςQ45 CW3 από Θύρα B: 90º CCW από θύρα αναρρόφησης C: ενσωματωμένη με θύρα αναρρόφησης D: 90º CW από αναρρόφηση p


|
Αντλίες πτερυγίων διπλής σταθερής μετατόπισης υψηλής απόδοσης σειράς TOKYO KEIKI VQ Για εφαρμογές για φορητές συσκευές 2520VQ 3520VQ 4520VQ 3525VQ 4525VQ 4535VQ |








Δημοφιλείς Ετικέτες: tokyo keiki vq αντλίες διπλής σταθερής μετατόπισης πτερυγίων υψηλής απόδοσης για κινητές εφαρμογές 2520vq 3520vq 4520vq 3525vq 4525vq 4535vq












